①為了保證安全,應先接妥線路,然后插電,并事先檢查電源電壓與繼電器額定電壓是否相符。
②將線路按照說明要求接好,再接上電源,繼電器便能自動工作。
③若繼電器電源與控制電源相同時,可以并聯連接。
④信號輸入線應防止與強大波動電源線平行,以免產生誤動作。
⑤若信號輸人引線較長,引線需采用金屬隔離線。
⑥液位控制的電極制作,可根據液體的性質,用戶自行選擇導電良好的材料作電極,并根據需要自行確定電極的長度.電極只須與接線端子接觸良好即可。
⑦三根電極之間的絕緣電阻應大于5MΩ。
⑧繼電器水平安裝時需裝托架,以免插腳與后座接觸不良。
如只要二位控制,只要將端6空腳即可,二位控制應用于斷水報警和滿水報警。
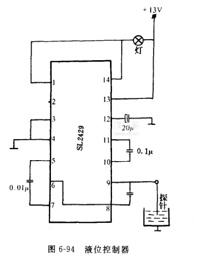
至于制冷劑的液位控制已在相應的設備中闡述了,另外,也常用集成電路SL2429按圖6-94所示進行液面自動控制。






