這三個設備都是在冷凝壓力下工作的,由于冷凝器的型號很多,在進行設備的豎向布置時,應根據其各自的特性,正確處理好連接管路和相對位置關系。
(1)洗滌式氨油分離器立式冷凝器,貯液器的連接。
在布置時,首先確定貯液器的標高。然后確定立式冷凝器的標高,要求冷凝器中氨液能自流入貯液器,冷凝器出液口與貯液器進液閥之間的最小高差為300mm,但位置也不宜過大,通常控制液體管內流速不大于0.7m/s;最后確定洗滌式氨油分離器的標高,使氨油分離器的進液管標高比冷凝器的出液管的標高低300mm,氨油分離器的進液管要求從冷凝器出液集管的底部接出,保證洗滌式油分離器的供液。洗滌式氨油分離器,立式冷凝器的組合形式見圖6-4。其它如均壓管、放空氣管、放油管以及壓力表等均按有關規定配置。

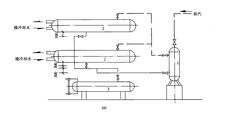
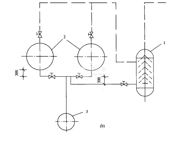
(2)臥式冷凝器與貯液器、油分離器的連接。臥式冷凝器與貯液器布置的定位方法和立式冷凝器相同,臥式冷凝器可直接布置在貯液器的上方,多臺臥式冷凝器并聯時,可按6-5(a)(b)所示兩種布置。


臥式冷凝器必須排液順暢,若冷凝器內積存氨液,將使冷凝器面積明顯減少,因此,冷凝器的出液管的截止閥應低于出液至少300mm。使閥的上方建立一定的靜液柱,以克服閥門及彎頭的阻力。油分離器若采用的是洗滌式油分離器,其進液管和冷凝器出液集管之間高度差與上述要求相同仍不小于300mm。






